Page 1 of 1

Atari 800XLF Schematic

Posted: 08 December 2018, 22:46 - Sat
by pancio
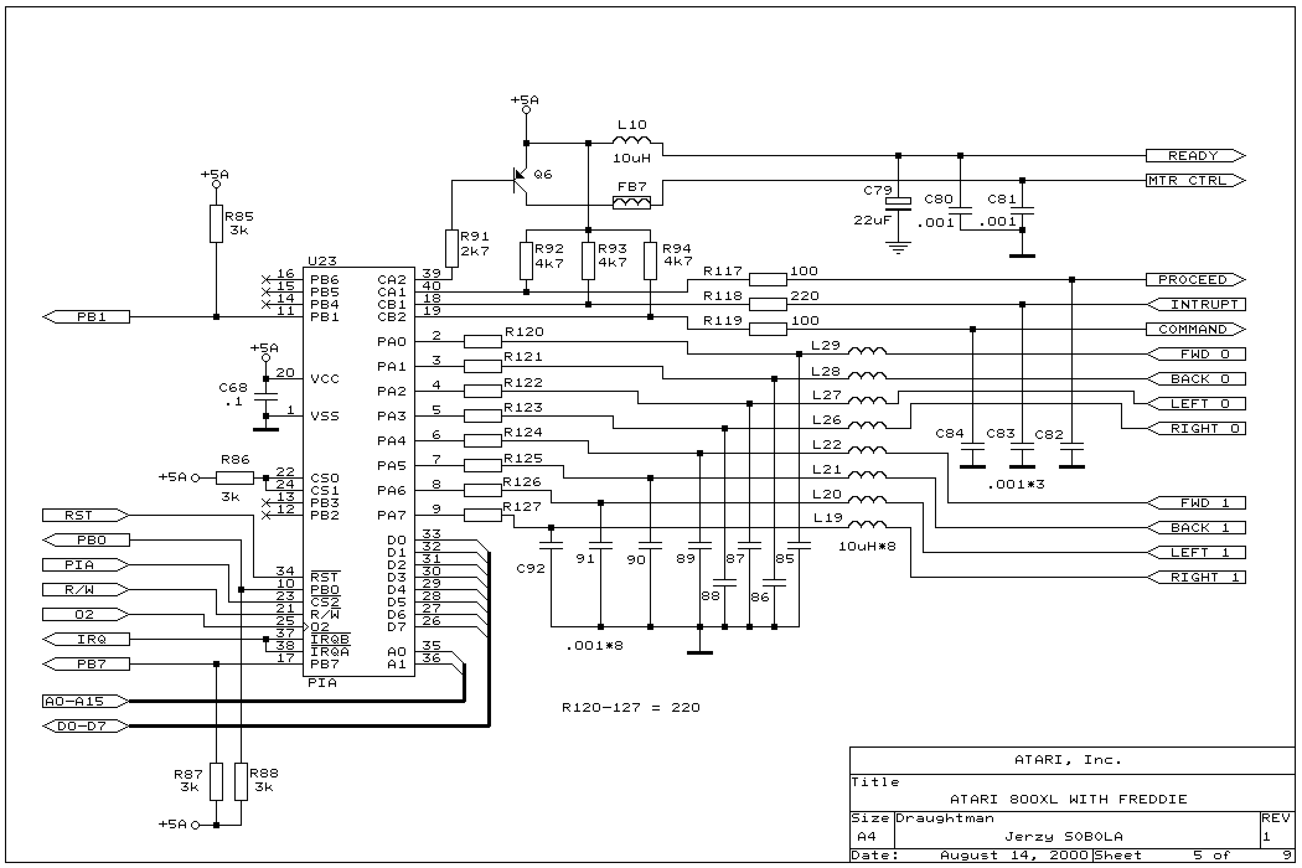
The Atari 800XLF Schematics.
Author: Jerzy Sobola
800xlf01.png
800xlf02.png
800xlf03.png
800xlf04.png
800xlf05.png
800xlf06.png
800xlf07.png
800xlf08.png
800xlf09.png
800xlf10.png