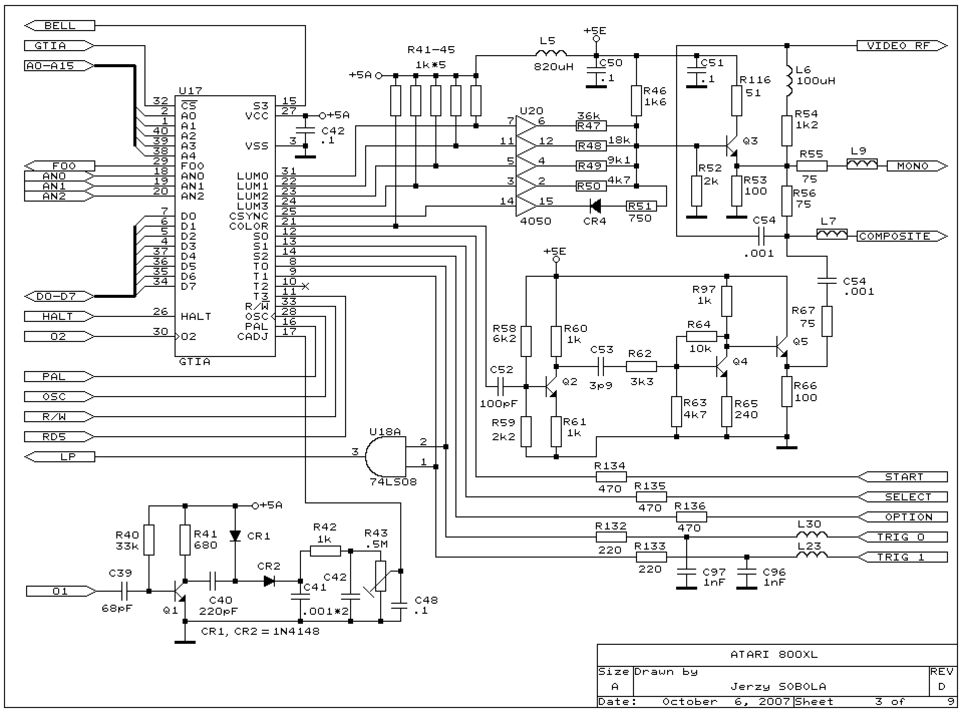
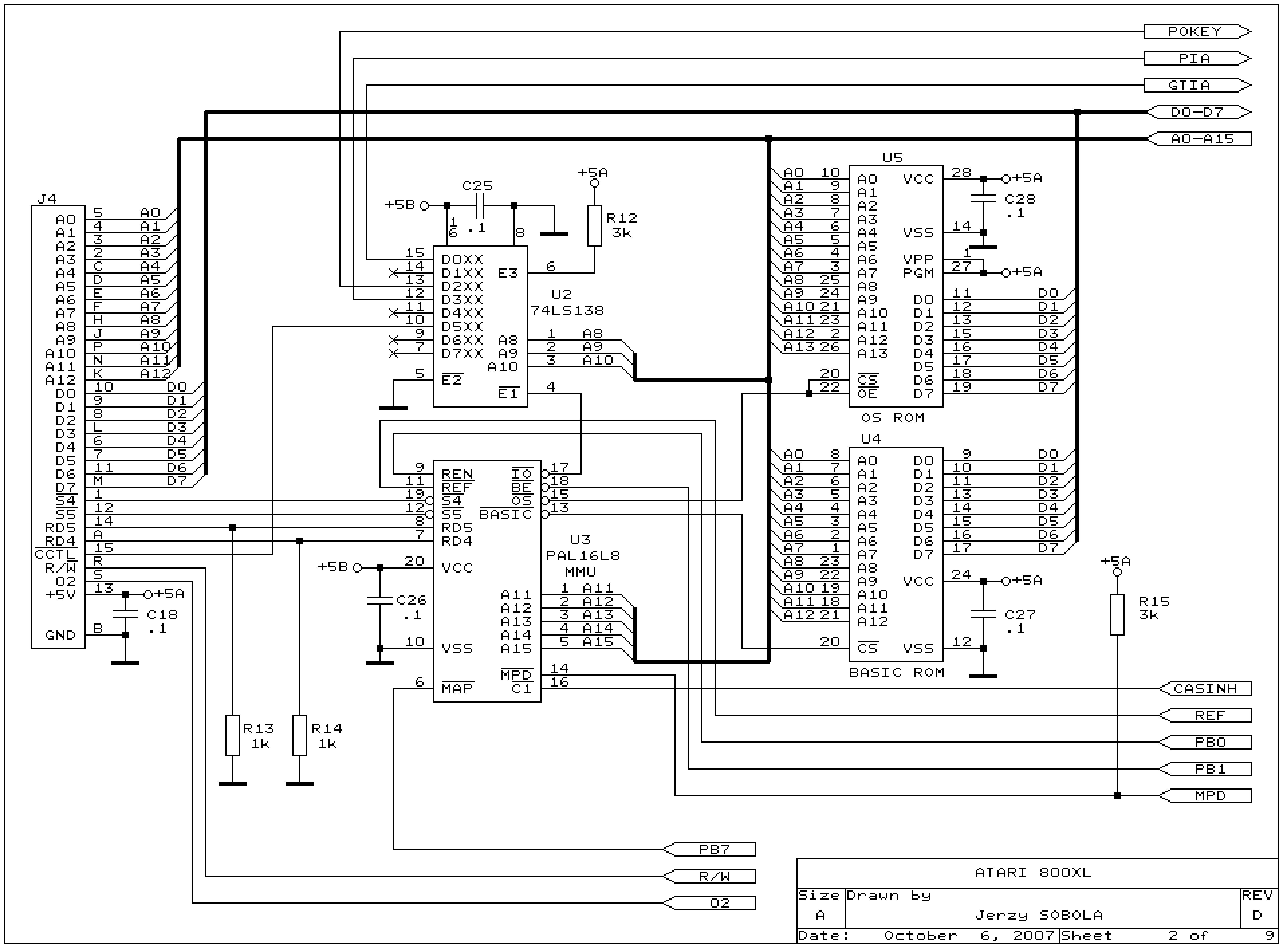
The Atari 800XL Schematics.
Author: Jerzy Sobola
			
							Atari 800XL Schematic
Moderator: bbiernat
Atari 800XL Schematic
The Atari 800XL Schematics.
Author: Jerzy Sobola
			
							Author: Jerzy Sobola
- Attachments
- 
			
		
				- 800XL_CO61854_REV_D_DIAGRAM-contrasted-big.gif (870.45 KiB) Viewed 121769 times
 
- 
			
		
		
				 ATARI800XL-SCHEMATIC.PDF ATARI800XL-SCHEMATIC.PDF
- (1.1 MiB) Downloaded 8924 times
 
 
			